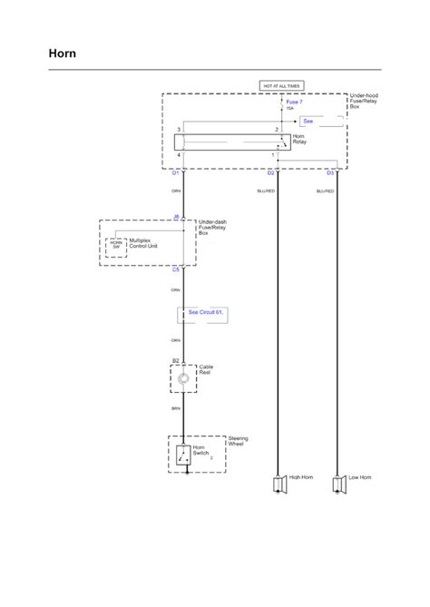
Our Honda Cr-V Wiring Diagram Essential Fixes For Every Owner Tutorial Provides The Schematics Needed For Reliable Daily Driving - London Pulse Profile
Definition of our determiner in oxford advanced learner's dictionary. Meaning, pronunciation, picture, example sentences, grammar, usage notes, synonyms and more. The meaning of our is of or relating to us or ourselves or ourself especially as possessors or possessor, agents or agent, or objects or object of an action.
Recommended for you
Relating to or belonging to us made or done by us
🔗 Related Articles You Might Like:
Solve Electrical Issues Fast With This 2015 Chevy Tow Mirror Wiring Diagram For Power, Heat, And Signal Light Functions A Clear Door Speaker Wiring Diagram: Upgrade Your Car Audio System Easily And Avoid Wiring Mistakes Use Our Condor Mdr-11 Wiring Diagram To Master Your Radio Setup And Ensure A Secure Connection📸 Image Gallery
You may also like