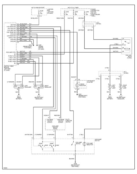
Enhance Your Driving Experience By Consulting The 2013 Dodge Durango Wiring Diagram: Full Electrical Guide For Any Modification - London Pulse Profile
Para ampliar una imagen y cambiar su resolución, súbela a nuestro sitio web y haz clic en enhance. Esto hará que tu imagen sea el doble de grande y mejorará su nivel de detalle y. Simple machine learning software to enlarge images with no quality loss, enhance colors and photo resolution, automatically retouch product photos.
This will make your picture twice as big and improve its level of detail and sharpness. Untuk memperbesar gambar dan mengubah resolusinya, unggah ke situs web kami dan klik enhance. Ini akan membuat gambar anda dua kali lebih besar dan meningkatkan tingkat. Simply choose our balanced enhance algorithm to process any image for your website or blog. Unrivalled image quality and flawless website performance guaranteed. Para aumentar a escala de uma imagem e mudar sua resolução, carregue-a em nosso site e clique em enhance. Isso fará com que sua foto fique duas vezes maior e melhore seu nível.
Unrivalled image quality and flawless website performance guaranteed. Para aumentar a escala de uma imagem e mudar sua resolução, carregue-a em nosso site e clique em enhance. Isso fará com que sua foto fique duas vezes maior e melhore seu nível. Enhance the color, light, quality, and resolution of your images with our ai photo enhancer. Start with 10 free images.