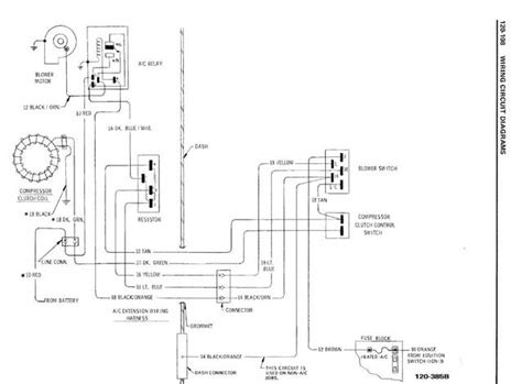
A Comprehensive 1972 Chevelle Ac Wiring Diagram: Restore Your Classic Car With Ease And Professional Results - London Pulse Profile
Comprehensive coverage on your auto policy can cover water damage related to rain, flooding, and hail. Learn how a comprehensive deductible works with your car insurance policy and find out how to choose the right deductible amount for your needs. Comprehensive and collision are two different types of coverages that can cover physical damage to your rv.
Theft, vandalism, fire,. Yes, comprehensive coverage on your auto policy can cover vandalism to your car — minus any deductible — since intentional damage to your vehicle is out of your control. What's the difference between full coverage and liability car insurance? Learn the differences and find the right auto insurance for you. Yes, comprehensive coverage on your auto policy can cover snow-related damage to your vehicle. For example, if a falling icicle breaks your windshield or dents your hood,. Learn more about comprehensive car insurance coverage from progressive, including how it works, what it can cover, and additional benefits.
Yes, comprehensive coverage on your auto policy can cover snow-related damage to your vehicle. For example, if a falling icicle breaks your windshield or dents your hood,. Learn more about comprehensive car insurance coverage from progressive, including how it works, what it can cover, and additional benefits. Is comprehensive car insurance required? Comprehensive auto insurance coverage isn't legally required, but if your vehicle is leased or financed, you may be required to carry this coverage. Comprehensive vs. What's the difference? Comprehensive and collision are both optional coverages that protect your vehicle, but they differ in the type of incident they. Comprehensive insurance coverage is defined as an optional coverage that protects against damage to your vehicle caused by non-collision events that are outside of your control.
🔗 Related Articles You Might Like:
Enhance Your Power Delivery With The Alltrax Controller Wiring Diagram The Definitive Guide For All Model Types Your Ultimate Guide For Audio Is The Pioneer Avh-1500nex Wiring Diagram – The Car Stereo Upgrade Made Easy Discover The Best Wiring Outdoor Schematic: The Foolproof Guide To Safe Installations! To Avoid Common Exterior Electrical FaultsComprehensive vs. What's the difference? Comprehensive and collision are both optional coverages that protect your vehicle, but they differ in the type of incident they. Comprehensive insurance coverage is defined as an optional coverage that protects against damage to your vehicle caused by non-collision events that are outside of your control.